Michael Rainey, cunoscut sub indicativul AA1TJ, este un cunoscut operator radioamator american, inginer și pasionat de homebrew minimalist.
Este celebru în comunitatea radioamatorilor pentru simplitatea și creativitatea sa radicală în proiectarea emițătoarelor - adesea construiește echipamente funcționale din cele mai puține piese posibile, folosind chiar circuite alimentate cu voce umană în unele proiecte.
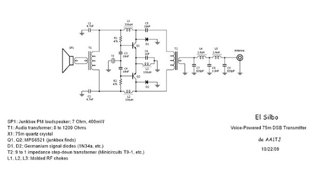
Transmițătorul „El Silbo”, pe care l-a numit după limba fluierată Silbo Gomero din Insulele Canare, reflectă filozofia sa: comunicarea lipsit de complexitate - doar ingeniozitate.
Inspirat de ideea de simplitate și eficiență, acest transmițător utilizează un design minimalist pentru a transmite semnale de voce în bandă laterală dublă (DSB) pe frecvențe HF (în special, 80 de metri).
Michael a descris acest proiect într-un mod captivant, aproape poetic, descriind modul în care circuitul „șoptește prin eter” - la fel ca limba Silbo Gomero însăși...
Transmițătorul "El Silbo DSB" nu este doar o construcție tehnică — este un omagiu adus artei designului minimalist în radioamatorism.
Este un exemplu funcțional al modului în care un transmițător care utilizează doar câteva tranzistoare și componente pasive poate comunica în continuare semnale vocale în mod eficient, oferind:
- O platformă de învățare pentru experimentatori radio
- O provocare pentru cei interesați de comunicațiile QRP (cu putere redusă)
- O demonstrație a modului în care circuitele analogice pot fi optimizate pentru vorbirea umană
El Silbo este un transmițător DSB (bandă laterală dublă) care funcționează pe banda de radioamatori de 80 de metri (~3,58 MHz).
Acesta utilizează:
- Un rezonator ceramic VXO (oscilator cu cristal variabil)
- Un modulator simplu echilibrat care utilizează componente discrete
- Un amplificator RF în două etape care utilizează tranzistoare RF de bază
- Un filtru trece-jos sau ieșire directă într-o sarcină de 50 ohmi
Ce nu utilizează:
- Montajul nu folosește sursă de alimentare ci preia energia produsă de difuzorul folosit pe post de microfon.
Puterea de ieșire tipică este de aproximativ 1,5 până la 2 miliwați, iar semnalul este compatibil cu receptoarele SSB standard, ceea ce îl face ideal pentru comunicații vocale ocazionale sau teste QRP.
Iată și detaliile - evident, Germanium:


Niciun comentariu:
Trimiteți un comentariu